****公告: 欢迎进入网站        欢迎进入网站        欢迎进入网站        欢迎进入网站        欢迎进入网站        欢迎进入网站        欢迎进入网站        欢迎进入网站
 

农药资讯
  农药资讯

01 企业概况
02 企业动态
03 产品中心
04 营销中心
05 人才招聘
06 在线留言
07 联系我们

  农药资讯  

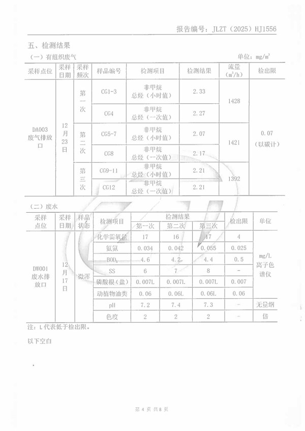
吉林邦农生物农药-有组织无组织废气、废水、噪声、土壤








 
 

版权所有:长春市长双农药有限公司  厂址:吉林省长春市宽城区兰家镇兰西大路4055号  服务热线:0431-82620782
吉ICP备09009373号